Double Acting Quick Release Pin
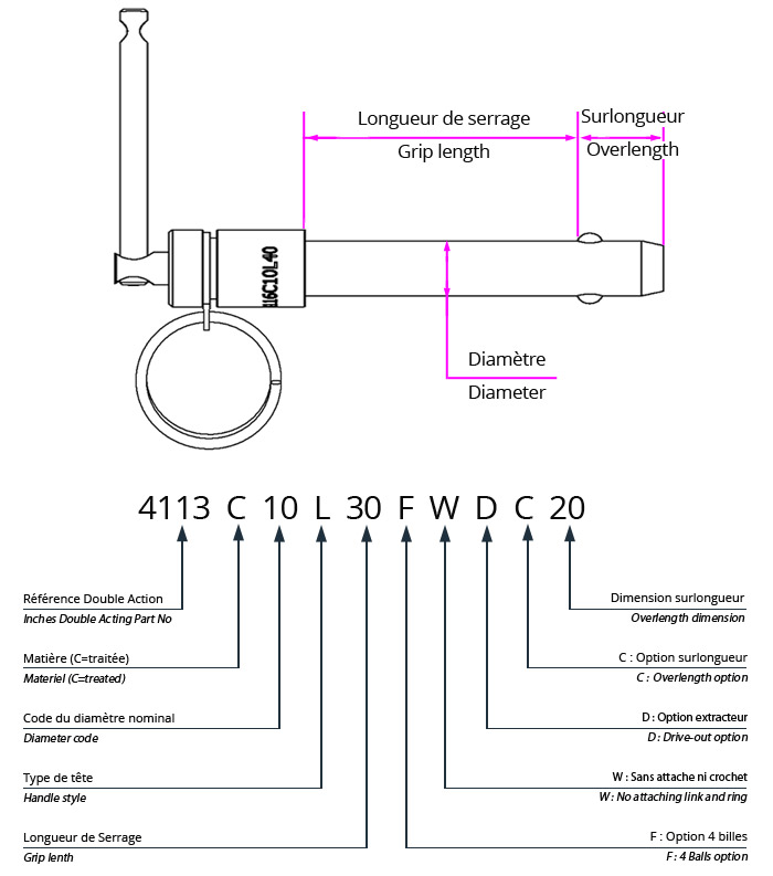
Reference : 4113 C 10 L... (mm) - 4416 C 10 L (inches)
Kind of handle : 411-L
Pin can be removed or installed if unlocked by pushing the button or the extended spindle (optional), or by pulling the ring
Order
Caractéristiques techniques
| Référence |
4113 C 10 L... (mm) - 4416 C 10 L (inches) |
| Code EAN |
411-L |
Description

Documentation